Toyota lämmitettävät tuulilasit

Hintaluokka: 465,86 € - 592,36 € / kpl (alv 25.5%)

Tuotetunnus (SKU): 3RETOYOTAF Osasto:

Kuvaus

Laadukas lämmitettävä tuulilasi (Laminated Heated Windscreen).

Ricky Evans Motorsportin valmistama lämmitettävä tuulilasi on suunniteltu korvaamaan alkuperäinen lasi suoraan. Tuote on valmistettu Isossa-Britanniassa samoilla standardeilla kuin alkuperäisvalmistajien lasit. Lasi on laminoitu ja varustettu integroiduilla lämmitysvastuksilla, jotka poistavat huurteen nopeasti ja tehokkaasti. Tämä mahdollistaa kilpa-autoissa painavan alkuperäisen lämmityslaitteiston poistamisen tai keventämisen, parantaen auton suorituskykyä.

Ominaisuudet:

  • Rakenne: Laminoitu turvalasi, jossa on integroitu ohut ja huomaamaton lämmityselementti.
  • Hyväksynnät: E-hyväksytty (E-marked), täysin tieliikennekelpoinen.
  • Toiminta: Useimmissa malleissa on kaksipiirinen lämmitys (vasen ja oikea puoli erikseen), mikä vähentää sähköjärjestelmän hetkellistä kuormitusta ja lisää toimintavarmuutta.
  • Käyttökohteet: Motorsport (ralli, rata) sekä harraste- ja museoautot, joissa halutaan parantaa näkyvyyttä kosteissa olosuhteissa.

Tekniset tiedot ja asennus:

  • Jännite: 12V DC.
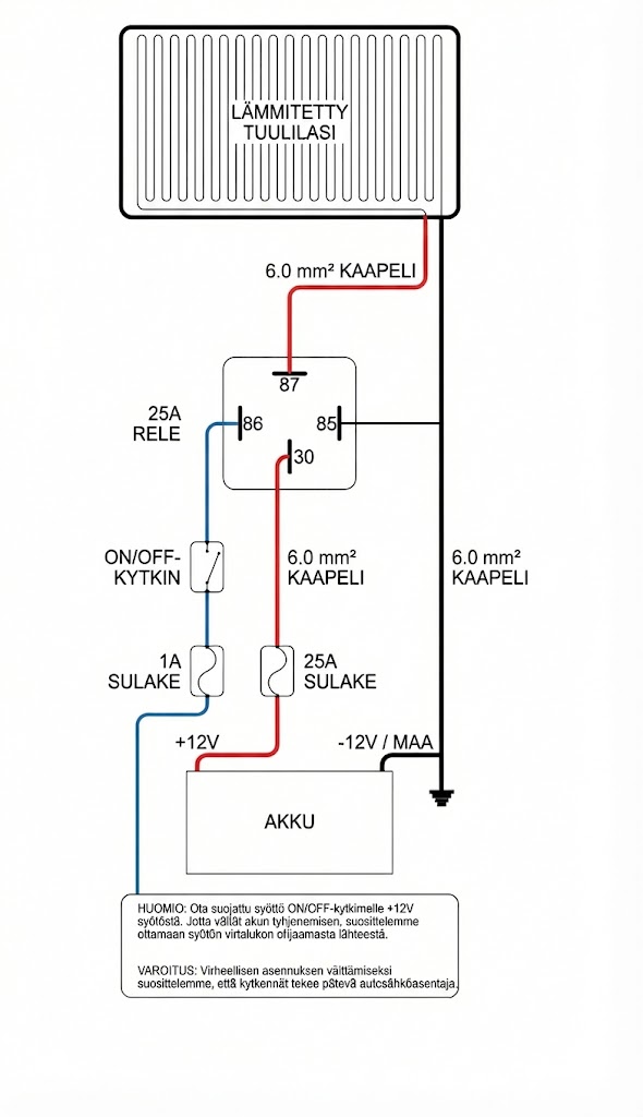
  • Virrankulutus: Tyypillisesti n. 13–20 ampeeria per puoli lasin koosta riippuen. Suositellaan 25A sulaketta ja relettä molemmille piireille (isot lasit voivat vaatia 30-35A).
  • Johdotus: Lasi vaatii erillisen johdotuksen releineen ja kytkimineen (eivät sisälly toimitukseen, ellei toisin mainita).
  • Toimitus: Tuote on suuri ja särkyvä, joten se toimitetaan erikoisrahdilla. Tuulilasirahdin hinta on 79€ (Manner-Suomi).

Tärkeä asennusohje: Asennettaessa kumitiivisteellistä lasia, lasin reunat on ehdottomasti tiivistettävä huolellisesti sopivalla tuulilasitiivistemassalla. Tämä estää veden pääsyn lasin laminoinnin väliin. Liimattavissa laseissa reuna tulee pohjustaa (primer) asianmukaisesti. Takuu ei kata delaminoitumista (lasikerrosten irtoamista), joka johtuu puutteellisesta tiivistyksestä ja kosteuden pääsystä rakenteeseen.

Lisätiedot

Automerkki

Toyota

Automalli

Celica ST185, Celica ST205, Corolla AE86, Corolla WRC, GT86, Starlet, Yaris GR

Väri

Kirkas

Lämmitetty

Kyllä, Ei

Tuotearvioita ei vielä ole.

Kirjoita ensimmäinen arvio tuotteelle “Toyota lämmitettävät tuulilasit”
This site is registered on wpml.org as a development site. Switch to a production site key to remove this banner.